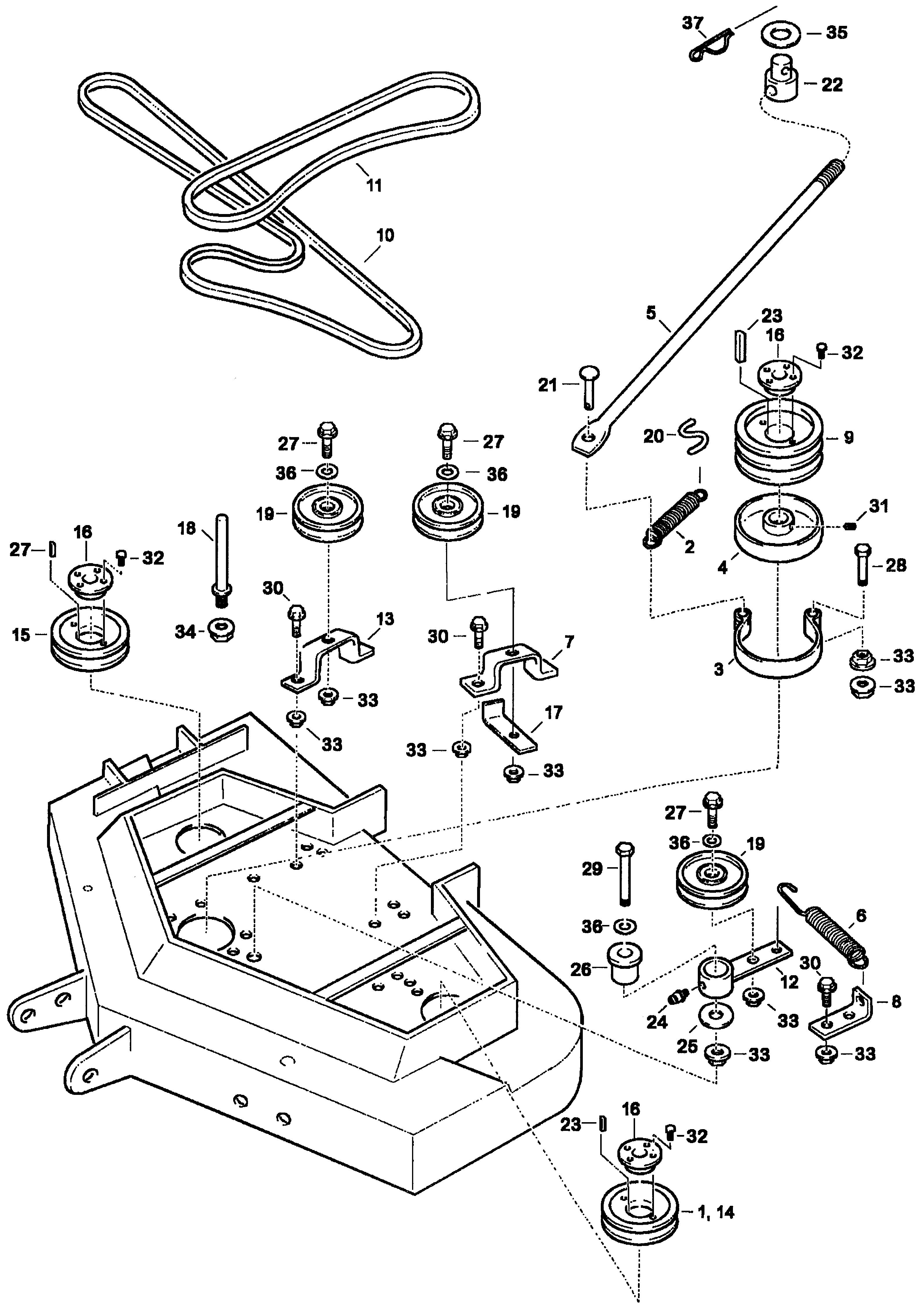
Commercial Mowers (36" - 48") CD CD7060 CD7060 CCD4 CCD4-1000001-9999999 CUTTER DECK DRIVE - Cureton & Son, Inc.

Ref No
Part Number
Description
Serial Range
Qty
Price

Ref No
2
Part Number
22567-VE4-010
Description
SPRING, TENSIONER
Serial Range
1000001 - 9999999
Qty
Price
$13.26

Ref No
3
Part Number
75120-VE4-003
Description
BAND, BRAKE
Serial Range
1000001 - 9999999

Ref No
4
Part Number
75140-VE4-003
Description
DISK, FRICTION (NOT AVAILABLE)
Serial Range
1000001 - 9999999

Ref No
5
Part Number
75196-VE6-L10
Description
ROD C, P.T.O.
Serial Range
1000001 - 9999999
Qty
Price
$15.86

Ref No
6
Part Number
76121-VE6-L00
Description
SPRING, TENSION
Serial Range
1000001 - 9999999
Qty
Price
$11.76

Ref No
7
Part Number
76127-VE6-L00
Description
BRACKET, TENSIONER (NOT AVAILABLE)
Serial Range
1000001 - 9999999

Ref No
8
Part Number
76124-VE6-L00
Description
PLATE, SPRING HOOK
Serial Range
1000001 - 9999999
Qty
Price
$5.54

Ref No
9
Part Number
76141-VE6-L10
Description
PULLEY, DRIVEN
Serial Range
1000001 - 9999999
Qty
Price
$203.16

Ref No
10
Part Number
76181-VE6-L10
Description
V-BELT, BLADE
Serial Range
1000001 - 9999999
Qty
Price
$88.50

Ref No
11
Part Number
76182-VE6-L10
Description
V-BELT, DECK
Serial Range
1000001 - 9999999
Qty
Price
$67.24

Ref No
12
Part Number
76213-VE6-L00
Description
ARM, IDLER
Serial Range
1000001 - 9999999
Qty
Price
$7.12

Ref No
13
Part Number
76217-VE6-L00
Description
BRACKET, IDLER (NOT AVAILABLE)
Serial Range
1000001 - 9999999

Ref No
14
Part Number
76221-VE6-L10
Description
PULLEY A, BLADE
Serial Range
1000001 - 9999999

Ref No
15
Part Number
76222-VE6-L10
Description
PULLEY B, BLADE
Serial Range
1000001 - 9999999
Qty
Price
$113.68

Ref No
16
Part Number
76223-VE4-000
Description
BORE BUSH (25MM)
Serial Range
1000001 - 9999999

Ref No
17
Part Number
76237-VE4-003
Description
GUIDE A, BELT
Serial Range
1000001 - 9999999
Qty
Price
$11.66

Ref No
18
Part Number
76243-VE6-L00
Description
GUIDE C, BELT
Serial Range
1000001 - 9999999

Ref No
19
Part Number
76246-VE6-L00
Description
PULLEY, TENSION
Serial Range
1000001 - 9999999

Ref No
20
Part Number
90651-VE4-003
Description
CLIP, SPRING
Serial Range
1000001 - 9999999
Qty
Price
$1.90

Ref No
21
Part Number
90751-VE6-000
Description
PIN, CLEVIS (5/16")
Serial Range
1000001 - 9999999
Qty
Price
$2.32

Ref No
22
Part Number
90752-VE4-003
Description
PIN, PIVOT
Serial Range
1000001 - 9999999

Ref No
23
Part Number
90766-VE4-003
Description
KEY, SQUARE (1/4"X1/4"X1")
Serial Range
1000001 - 9999999

Ref No
24
Part Number
90953-VE4-003
Description
NIPPLE, GREASE
Serial Range
1000001 - 9999999
Qty
Price
$2.84

Ref No
25
Part Number
91558-VG5-000
Description
BUSHING (1")
Serial Range
1000001 - 9999999
Qty
Price
$1.44

Ref No
26
Part Number
91559-VE4-003
Description
BUSHING, PIVOT
Serial Range
1000001 - 9999999
Qty
Price
$17.82