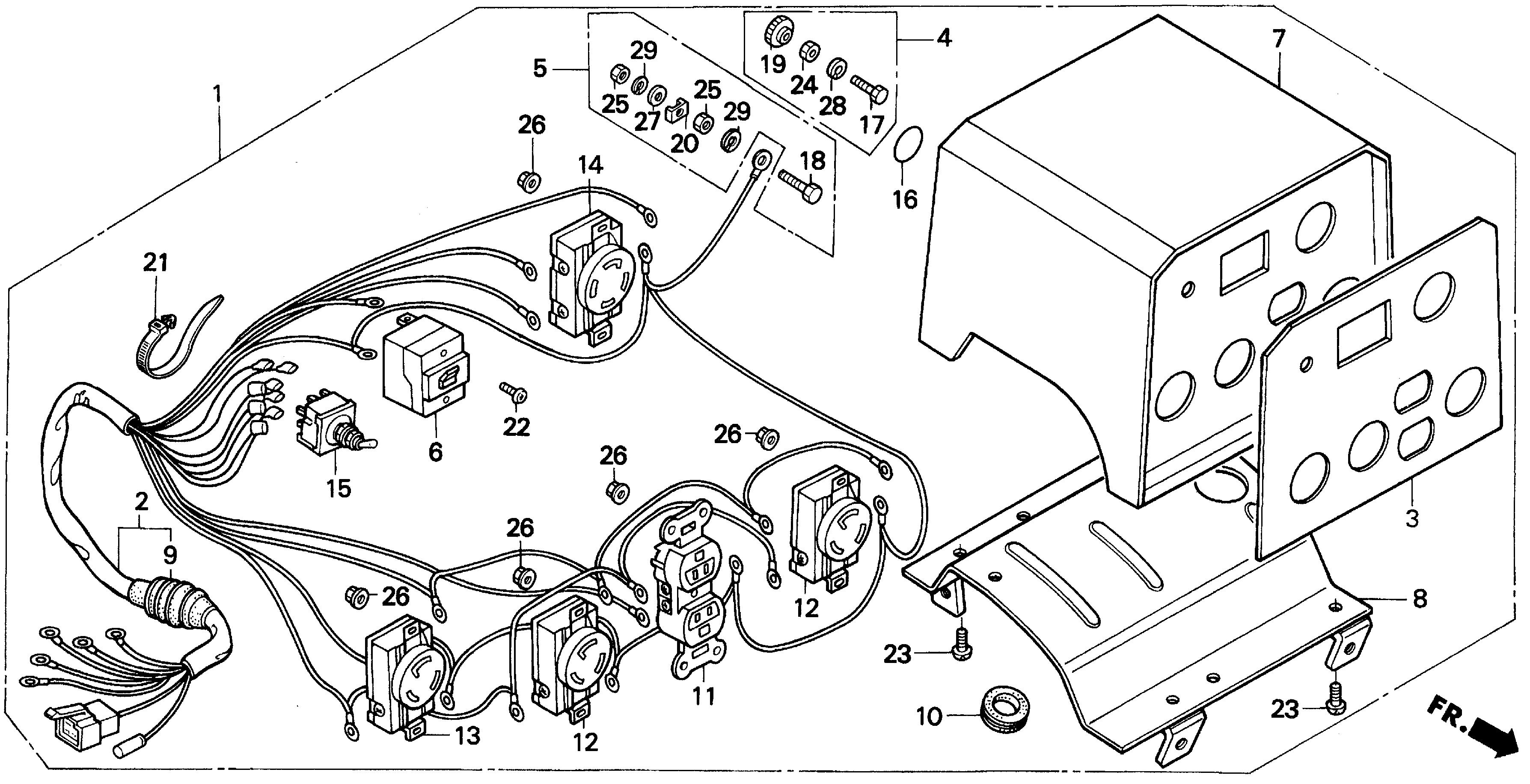
Ref No
Part Number
Description
Serial Range
Qty
Price
Ref No 1
Part Number 31400-ZC2-931H
Description BOX ASSY., CONTROL *R8* (EG-A) (BRIGHT RED)
Serial Range 1000001 - 4012267
Ref No 1
Part Number 31400-ZC2-932ZA
Description BOX ASSY., CONTROL *R8* (BRIGHT RED) (NOT AVAILABLE)
Serial Range 4012268 - 9999999
Ref No 2
Part Number 31404-ZC2-931
Description WIRE HARNESS ASSY. (EG-A)
Serial Range 1000001 - 4012267
Ref No 2
Part Number 31404-ZC2-932
Description WIRE HARNESS ASSY. (EG-A) (NOT AVAILABLE)
Serial Range 4012268 - 9999999
Ref No 3
Part Number 31406-ZC2-930
Description PLATE, CONTROL INDICATOR (EG-A) (NOT AVAILABLE)
Serial Range 1000001 - 4005909
Ref No 3
Part Number 31406-ZC2-931
Description PLATE, CONTROL INDICATOR (NOT AVAILABLE)
Serial Range 4005910 - 9999999
Ref No 4
Part Number 31428-ZB4-013
Description TERMINAL SET, GROUND
Serial Range 1000001 - 4020965
Qty
Price $11.18
Add To Cart
Ref No 5
Part Number 31428-899-840
Description TERMINAL SET, GROUND
Serial Range 4020966 - 9999999
Qty
Price $23.42
Add To Cart
Ref No 6
Part Number 31430-ZC2-630
Description BREAKER, CIRCUIT (19A)
Serial Range 4020966 - 9999999
Qty
Price $309.52
Add To Cart
Ref No 7
Part Number 31450-ZB4-931ZB
Description BOX, CONTROL *R280* (POWER RED)
Serial Range 4020966 - 9999999
Qty
Price $182.16
Add To Cart
Ref No 8
Part Number 31455-ZB4-900ZA
Description PLATE (LOWER) *NH105* (MAT BLACK) (NOT AVAILABLE)
Serial Range 1000001 - 9999999
Ref No 9
Part Number 31481-ZB4-003
Description GROMMET, A.C. WIRE
Serial Range 1000001 - 9999999
Ref No 10
Part Number 31482-ZB4-900
Description GROMMET, MAIN WIRE
Serial Range 1000001 - 9999999
Qty
Price $9.34
Add To Cart
Ref No 11
Part Number 32330-899-631
Description RECEPTACLE (20A/125V) (MATSUSHITA)
Serial Range 1000001 - 9999999
Qty
Price $68.82
Add To Cart
Ref No 12
Part Number 32331-899-630
Description RECEPTACLE (20A/125V) (NOT AVAILABLE)
Serial Range 1000001 - 9999999
Ref No 13
Part Number 32332-880-710
Description RECEPTACLE (30A/125V) (NOT AVAILABLE)
Serial Range 1000001 - 4005909
Qty
Price $26.79
Add To Cart
Ref No 13
Part Number 32332-ZB4-630
Description RECEPTACLE (30A/125V)
Serial Range 1000001 - 9999999
Qty
Price $45.88
Add To Cart
Ref No 14
Part Number 32334-ZA0-630
Description RECEPTACLE (30A/125-250V)
Serial Range 1000001 - 4005909
Ref No 14
Part Number 32334-ZA0-631
Description RECEPTACLE (30A/125-250V)
Serial Range 4005910 - 9999999
Ref No 15
Part Number 36221-899-630
Description SWITCH ASSY., VOLT CHANGE
Serial Range 1000001 - 9999999
Qty
Price $215.84
Add To Cart
Ref No 16
Part Number 87534-892-640
Description MARK, GROUND
Serial Range 1000001 - 9999999
Qty
Price $2.40
Add To Cart
Ref No 17
Part Number 90011-ZB4-000
Description BOLT, HEX. (6X22)
Serial Range 1000001 - 4020965
Qty
Price $4.60
Add To Cart
Ref No 18
Part Number 90011-899-840
Description BOLT, HEX. (6X28)
Serial Range 4020966 - 9999999
Qty
Price $4.26
Add To Cart
Ref No 19
Part Number 90381-812-710
Description NUT, SPECIAL (6MM)
Serial Range 1000001 - 4020965
Qty
Price $2.40
Add To Cart
Ref No 20
Part Number 90501-ZA7-640
Description RETAINER (6MM)
Serial Range 4020966 - 9999999
Qty
Price $3.72
Add To Cart
Ref No 21
Part Number 90672-ZB4-003
Description TIE, CABLE
Serial Range 4020966 - 9999999
Qty
Price $5.76
Add To Cart
Ref No 22
Part Number 93500-04006-0H
Description SCREW, PAN (4X6)
Serial Range 1000001 - 9999999
Qty
Price $1.10
Add To Cart
Ref No 23
Part Number 93500-06010-0H
Description SCREW, PAN (6X10)
Serial Range 1000001 - 9999999
Qty
Price $1.14
Add To Cart
Ref No 24
Part Number 94001-06390-0S
Description NUT, HEX. (6MM)
Serial Range 1000001 - 4020965
Qty
Price $1.96
Add To Cart
Ref No 24
Part Number 94001-06390-0S
Description NUT, HEX. (6MM)
Serial Range 4020966 - 9999999
Qty
Price $1.96
Add To Cart
Ref No 25
Part Number 94001-06390-0S
Description NUT, HEX. (6MM)
Serial Range 1000001 - 4020965
Qty
Price $1.96
Add To Cart
Ref No 25
Part Number 94001-06390-0S
Description NUT, HEX. (6MM)
Serial Range 4020966 - 9999999
Qty
Price $1.96
Add To Cart
Ref No 26
Part Number 94050-04000
Description NUT, FLANGE (4MM)
Serial Range 4020966 - 9999999
Qty
Price $1.50
Add To Cart
Ref No 27
Part Number 94101-06800
Description WASHER, PLAIN (6MM)
Serial Range 4020966 - 9999999
Qty
Price $0.80
Add To Cart
Ref No 28
Part Number 94111-06800
Description WASHER, SPRING (6MM)
Serial Range 1000001 - 4020965
Qty
Price $1.38
Add To Cart
Ref No 28
Part Number 94111-06800
Description WASHER, SPRING (6MM)
Serial Range 4020966 - 9999999
Qty
Price $1.38
Add To Cart
Ref No 29
Part Number 94111-06800
Description WASHER, SPRING (6MM)
Serial Range 1000001 - 4020965
Qty
Price $1.38
Add To Cart
Ref No 29
Part Number 94111-06800
Description WASHER, SPRING (6MM)
Serial Range 4020966 - 9999999
Qty
Price $1.38
Add To Cart